波司登:给充绒量86克2000元的羽绒服算笔成本账,高管们数千万的薪酬是真高!

任先生 2026-01-12 阅读:5 评论:0
  炒股就看金麒麟分析师研报,权威,专业,及时,全面,助您挖掘潜力主题机会! 来源:财经九号院   日前,有江苏网友在社交平台发文称,波司登门店一款售价2099元的羽绒服,充绒量只有86克,质疑其品牌溢价过高。此事引发大量关注。   1...

  炒股就看金麒麟分析师研报,权威,专业,及时,全面,助您挖掘潜力主题机会!

来源:财经九号院

波司登:给充绒量86克2000元的羽绒服算笔成本账,高管们数千万的薪酬是真高! 第1张

  日前,有江苏网友在社交平台发文称,波司登门店一款售价2099元的羽绒服,充绒量只有86克,质疑其品牌溢价过高。此事引发大量关注。

波司登:给充绒量86克2000元的羽绒服算笔成本账,高管们数千万的薪酬是真高! 第2张

  1月9日,界面新闻根据网友照片中的水洗标货号,在第三方购物平台波司登自营旗舰店查询获悉,该产品为2025年男士商务系列鹅绒羽绒服,蓬松度超过700,为加厚、短款,可脱卸内胆,绒子含量达90%。

  不同尺寸的含绒量不同,其中175尺码充绒量确为86克,180尺寸充绒量为91克。该款羽绒服原价2299元,优惠后价格为1999元。针对网友对其品牌溢价的质疑,1月9日,界面新闻致电波司登官方客服,对方表示,波司登的充绒量符合国家标准,而价格的高低不仅取决于充绒量,还包括许多综合性因素。

  1

  充绒量多少并无国家标准,

  波司登是国标主要起草者

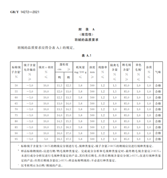
  作者发现,消费者质疑品牌溢价过高,而波司登方面回应充绒量符合国家标准,那么羽绒服的国家标准是什么呢?

波司登:给充绒量86克2000元的羽绒服算笔成本账,高管们数千万的薪酬是真高! 第3张

  作者发现,现行的羽绒服国家标准GB/T14272-2021并没有规定充绒量多少克才算合格,只规定了“成品充绒量不得低于标注值的 95%(如标 100g,实际≥95g,作者注,下同);吊牌必须同时标注“绒子含量”(≥50%)和“充绒量(g)”。”以及对绒子含量进行了国标规定,如绒子含量必须大于50%才能成为羽绒服。

  也就是说现行的羽绒服国家标准并没有设置统一充绒量下限,这意味着商家可根据款式(轻薄/常规/厚款)标注任意克数,只要合规标注并达标即合法。

波司登:给充绒量86克2000元的羽绒服算笔成本账,高管们数千万的薪酬是真高! 第4张

  值得注意的是,在国家市场监管总局旗下的全国标准信息公共服务平台上,作者发现该版羽绒服国家标准的制定方,除了上海纺织集团检测标准有限公司、中国服装协会、广州检验检测认证集团有限公司等行业协会和专业机构之外,这第一家参与制定企业就是波司登,国家标准起草人中,第一位就是波司登的董事会主席高德康。

  虽说行业头部企业参与团体标准甚至国家标准的起草制定,在国内很常见,但头部企业往往也会通过指定国标或者行标的机会,给自己争取有利的市场地位。

  而波司登回应媒体时,所谓“86克充绒量的羽绒服符合国家标准”这一说辞,显然难以站得住脚,因为根本没有相应的国家标准,而事实上,消费者质疑的更大程度上是波司登的品牌溢价是否过高。

  这就不得不测算一下成本了,波司登羽绒服的面料,根据消费者在社交平台上公布的标签显示,面料上层为锦纶和氨纶,其他料子都是聚酯纤维。作者问了一下豆包,目前市面上最好的锦纶面料120-200元一平米,聚酯纤维面料大概是80-150元一平米,如果是短款羽绒服的话,里外里的算各1个平米用料,共计2个平米的面料价格大概是350元,凑个整400元吧;

  很多人以为羽绒服最贵的是鹅绒了,其实并不是,根据中国羽绒工业协会官方微信公布的1月份羽绒价格汇总表来看,最贵的95白鹅绒也差不多1000元一公斤,折合1块钱1克,那么86克的充绒量才多少呢?86块钱成本。

波司登:给充绒量86克2000元的羽绒服算笔成本账,高管们数千万的薪酬是真高! 第5张

  成本这么一测算,业内用最好料子、最好羽绒制作出来的短款羽绒服成本大概是多少呢?不到500元。

  那么波司登这款86克充绒量的羽绒服,打折售价约2000元的溢价贵不贵呢?相信读者们自有判断。

  2

  业绩增长面临临界点,

  高管数千万薪酬、超8成现金分红率

  波司登羽绒服的品牌溢价贵不贵,作者没法测算,因为还有人工、销售、渠道等等的成本,但是波司登的股东和高管们是真的“贵”。

  因为波司登的分红很慷慨,高管们的薪酬很高。

  根据波司登2024/25年年报(2024年3月31日至2025年3月31日)数据显示,当年度财年,波司登董事们的酬金一共是7573万元,其中董事长高德康的薪酬是1194万元,执行董事兼执行总裁的薪酬是1538万元,执行董事兼高级副总裁芮劲松的薪酬如果不含股权支付部分是1657.9万元,加上2671万元以股权支付的款项,他在当季财年的薪酬高达4328万元!

波司登:给充绒量86克2000元的羽绒服算笔成本账,高管们数千万的薪酬是真高! 第6张

  相比上一财年,董事会成员们的薪酬还只有5165万元,涨幅高达46.6%!在上一财年中,高德康、梅冬、芮劲松的酬金分别为743.8万、428.5万、3581.5万,相比之下波司登高管们的薪酬涨的真够快的。

波司登:给充绒量86克2000元的羽绒服算笔成本账,高管们数千万的薪酬是真高! 第7张

  除了高管的高工资之外,波司登的现金分红比例也是非常高,而这些分红的大部分也落入了上市公司的控股股东口袋中。

  据其2024/25年报数据显示,当年度每股派发0.28港元现金分红、累计约29.4亿人民币现金分红,占当年度归母净利润35.14亿元的83.6%;2023/24年度,波司登的现金分红为25.12亿元人民币,占同期归母净利润81.7%,2022/23年度的现金分红比例同样也高达84.24%,在上一年度现金分红比例也有80%。

波司登:给充绒量86克2000元的羽绒服算笔成本账,高管们数千万的薪酬是真高! 第8张

  由此可见,波司登的高比例现金分红已经是该公司一直以来的“优良传统”,而这些分红的大部分,则落入了波司登持股超60%的控股股东手中,以及持股比例不低的高管们手中。

  无论是高比例的现金分红,还是高管们的薪酬,最根本的基石还是波司登的业绩。不过从波司登的财报数据来看,该公司的营收、归母净利润的增幅近年来都在快速下滑。

波司登:给充绒量86克2000元的羽绒服算笔成本账,高管们数千万的薪酬是真高! 第9张

  2024财年、2025财年中报、2025财年、2026财年中报的营收增速分别为38.39%、17.83%、11.58%、1.4%,归母净利润的同比增速分别为43.74%、22.98%、14.31%、5.28%,显然,从业绩增速的下滑幅度来看,波司登已经来到了业绩转折路口。

  至于消费者质疑波司登的品牌溢价值不值得这么高,作者想,你不还得考虑高管们数千万的高薪酬和控股股东几十亿的分红呢?

  (免责声明:本文数据信息均来自上市公司财报、同花顺财经、企业预警通、行业官网等公开信息,数据或信息如有遗漏,欢迎更正。未经授权,本文禁止转载、抄袭或洗稿。)

版权声明

本文仅代表任先生博客观点,不代表任先生博客立场。
本文系作者授权任先生博客发表,未经许可,不得转载。

分享:

扫一扫在手机阅读、分享本文

热门文章
  • 房县黄酒的酿造工艺与步骤(2024详细教程)

    房县黄酒的酿造工艺与步骤(2024详细教程)
    房县黄酒的酿造工艺与步骤房县黄酒,源自中国湖北省房县的传统酿造佳品,历史悠久,工艺独特。其独特的口感和香气得益于精细的酿造工艺。以下是房县黄酒的主要酿造步骤:黄酒购买热线:133412496001. 选料与浸泡酿造房县黄酒的首要步骤是选择高质量的原料。主要原料为糯米和麦曲,它们的选择直接决定了黄酒的口感和品质。糯米要求粒大饱满,无病虫害;麦曲则应选用优质大麦,经过精心培养制成。选好的糯米需要经过浸泡,使米粒充分吸水膨胀,有利于后续的蒸煮过程。2. 蒸煮与冷却将浸泡好的糯米进行...
  • 微信分付可以借出来吗:一步之遥,从分付额度变现微信现金的4个顶级操作

    微信分付可以借出来吗:一步之遥,从分付额度变现微信现金的4个顶级操作
    微信分付怎么变现:一步之遥,从分付额度变现微信现金的4个顶级操作使用微信的用户,只有一小部分的拥有分付,一般在你的支付分或者个人信用分达到650以上才有机会,一般最低额度也是500以上,那么我们有什么办法,可以合法合规的情况下,变现微信分付的额度,提到微信账户里,小编整理了4个顶级操作,非常牛,来看看是怎么操作的吧!教程:1.直接扫码通过直接扫码的方式,这个必须是商家码才可以,个人码是不可以的,需要和商家有一定的熟悉感,操作的前提下,我们应该保证自己的财产安全,一般商家给的点...
  • 建滔积层板现涨超3% 花旗重申“买入”评级

    建滔积层板现涨超3% 花旗重申“买入”评级
      建滔积层板(01888)早盘上涨3.46%,现报8.96港元,成交额4702.23万港元。   近日,花旗发布研究报告称,在建滔积层板(01888)股价回落17%后,重申“买入”评级,对其开启90天上行催化观察,因为预期公司将在7月中旬发布盈喜;预料公司今年上半年股东应占盈利同比升82%至7.68亿元,目标价12.5港元,预期今年至2026年的每股盈利复合年均成长率为60%。...
  • “淘宝先用后付秒套现?这些‘妙招’让你快人一步!”

    “淘宝先用后付秒套现?这些‘妙招’让你快人一步!”
    “淘宝先用后付秒套现?这些‘妙招’让你快人一步!”近年来,随着电商平台的快速发展,快手推出的“先用后付”功能成为了许多消费者的新宠。然而,这一功能在提供便利的同时,也被一些人利用进行非法套现,引发了诸多法律和信用风险。本文将从“先用后付”的功能初衷、套现手段及其法律风险等方面进行深入分析,帮助用户更好地理解这一功能,并避免陷入不必要的麻烦。客服咨询√:15387263805 帮助你解决难题一、什么是“先用后付”?“先用后付”是快手电商与芝麻信用合作推出的一项服务,旨在为用户提...
  • 鼻血喷涌!女明星丝袜诱惑,惊艳全场

    鼻血喷涌!女明星丝袜诱惑,惊艳全场
    丝袜作为时尚界的经典元素,早已成为女明星红毯、舞台、杂志拍摄等场合的必备利器。女明星们根据自己的身形、气质以及活动场合,选择不同颜色、质地和厚度的丝袜,展现出各式各样的丝袜风格。有的偏好黑色丝袜的神秘诱惑,有的则喜欢肉色丝袜的自然轻盈,还有的选择彩色丝袜,展现出鲜明的个性,都有哪些女明星让你鼻血喷涌呢?1.范冰冰的性感,妖娆2.米雪的俏皮,可爱3.性感林志玲4.诱惑马伊琍5.骨感张柏芝那个是你的菜呢?...